< img height="1" width="1" style="display:none" src="https://www.facebook.com/tr?id=2424850691037363&ev=PageView&noscript=1" />
Singaimpor Mitra Resmi 1688
Taobao, Alibaba, Tmall, Impor Mudah
Menu

YUKEN Penelitian Minyak DSG-01-3C2-A240-50 DSG-01-3C2-A200-70 D5-03-3C4-D2

{{ product.price_format }}
{{ product.origin_price_format }}
Stok:
SKU:{{ product.sku }}
Model: {{ product.model }}

{{ variable.name }}

{{ value.name }}

中日合资生产,品牌YUKEN,油研,榆次油研

DSG-01-1-E31

DSG-01-2-E32

DSG-01-3-E33

DSG-01-4-E34

DSG-01-5-E35

DSG-01-6-E36

DSG-01-7-E37

DSG-01-8-E38

DSG-01-9-E39

DSG-01-10-E40

DSG-01-11-E41

DSG-01-12-E42

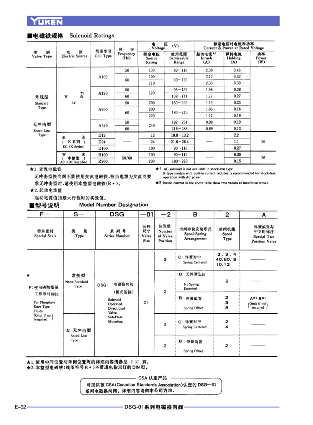
DSG-01系列电磁换向阀

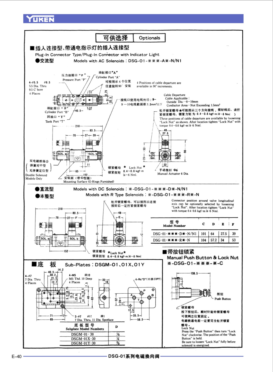
电磁铁的反向装配

弹簧偏置型的标准是把电磁铁装在SOLb侧。对于滑阀弹簧式我们还提供电磁铁装在SOLa侧的反向装配。反向装配时,液压符号如下

 

使用中间位置与单侧位置的阀

除前面标准型号表中2位式阀外,也可使用3位中的中间位置与SOLa(或SOLb)励磁位置的阀2B★A(2B★B)。

(例)滑阀型式为2时的场合

DSG-01-3C2_副本2_副本